General Description and Features
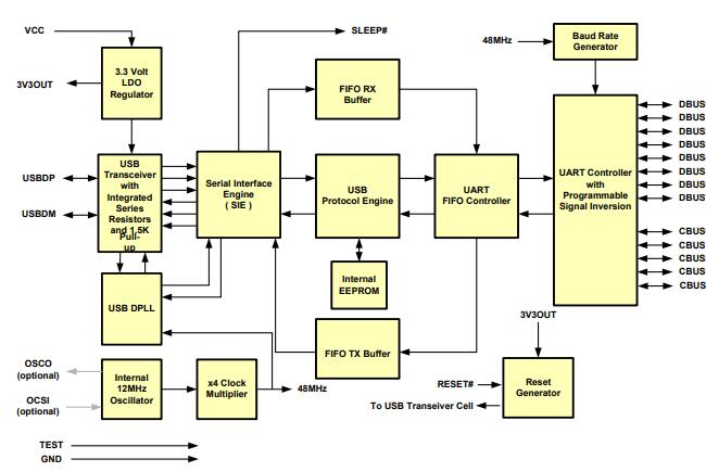
The FT232R is a USB to serial UART interface
with the following advanced features:
Single-chip USB to asynchronous serial data transfer interface.
Entire USB protocol handled on the chip. No USB-specific firmware programming is required.
Fully integrated 1024 bit EEPROM storing device descriptors and CBUS I/O configuration.
Fully integrated USB termination resistors.
Fully integrated clock generation with no external crystal required plus optional clock output selection enabling a glue-less interface to external MCU or FPGA.
Data transfer rates from 300 baud to 3 Mbaud (RS422, RS485, RS232) at TTL levels.
128 byte receive buffer and 256 bytes transmit buffer utilizing buffer smoothing technology to allow for high data throughput.
FTDI’s royalty-free Virtual Com Port (VCP) and Direct (D2XX) drivers eliminate the requirement for USB driver development in most cases.
Unique USB FTDIChip-ID™ feature.
Configurable CBUS I/O pins.
Transmit and receive LED drive signals.
UART interface support for 7 or 8 data bits, 1 or 2 stop bits and odd / even / mark / space /
no parity
Application
USB to RS232/RS422/RS485 Converters.
Upgrading Legacy Peripherals to USB.
Cellular and Cordless Phone USB data transfer
cables and interfaces.
Interfacing MCU/PLD/FPGA-based designs to
USB.
USB Audio and Low Bandwidth Video data
transfer.
PDA to USB data transfer.
USB Smart Card Readers.
USB Instrumentation
Pinout and Signal Description
CAD Models
Pinout and Signal Description

Symbol

Footprint

3D Model

Block diagram

Package Dimension

Specification
· Technical
· Operating Temperature--40°C~85°C
· Series-USBmadeEZ-UART
· Moisture Sensitivity Level (MSL)-3 (168 Hours)
· Technology-CMOS
· Voltage - Supply-3.3V~5.25V
· Voltage-5V
· Operating Supply Current-15mA
Alternative Parts
MP20049DC-2.8-LF-P CY7C128A-20VXCT ISL6722AARZ-T LTC4263IS#TRPBF X1226S8 ICS558AG-02T XC6129C23J9R-G
Construction
Where to Use

An example of using the FT232R as a USB to RS232 converter is illustrated in the following picture. In this application, a TTL to RS232 Level Converter IC is used on the serial UART interface of the FT232R to convert the TTL levels of the FT232R to RS232 levels. This level shift can be done using the popular “213” series of TTL to RS232 level converters. These “213” devices typically have 4 transmitters and 5 receivers in a 28-LD SSOP package and feature an in-built voltage converter to convert the +5V (nominal) VCC to the +/- 9 volts required by RS232. A useful feature of these devices is the SHDN# pin which can be used to power down the device to a low quiescent current during USB suspend mode.

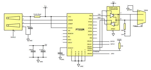
An example of using the FT232R as a USB to RS485 converter is shown in the above picture. In this application, a TTL to RS485 level converter IC is used on the serial UART interface of the FT232R to convert the TTL levels of the FT232R to RS485 levels.

An example of using the FT232R as a USB to RS422 converter is shown in the above picture. In this application, two TTL to RS422 Level Converter ICs are used on the serial UART interface of the FT232R to convert the TTL levels of the FT232R to RS422 levels.

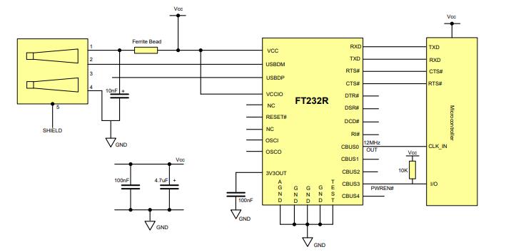
An example of using the FT232R is a USB to Microcontroller (MCU) UART interface is shown in the above picture. In this application, the FT232R uses TXD and RDX for transmission and reception of data, and RTS# / CTS# signals for hardware handshaking. Also in this example, CBUS0 has been configured as a 12MHz output to clock the MCU.


An example of using the FT232R to drive LEDs is shown in the first picture. In this application, one of the CBUS pins is used to indicate transmission of data (TXLED#) and another is used to indicate receiving data (RXLED#). When data is being transmitted or received the respective pins will drive from tristate to low to indicate the LEDs of data transfer. A digital one-shot is used so that even a small percentage of data transfer is visible to the end-user.
Another example of using the FT232R to drive LEDs is shown in the second picture. In this example, one of the CBUS pins is used to indicate when data is being transmitted or received by the device (TX&RXLED). In this configuration, the FT232R will drive only a single LED
How to Use
The FT232R is a USB to serial UART interface device which simplifies USB to serial designs and reduces external component count by fully integrating an external EEPROM, USB termination resistors, and an integrated clock circuit that requires no external crystal, into the device. It has been designed to
operate efficiently with a USB host controller by using as little as possible of the total USB bandwidth available.
Guidelines
The FT232R defaults to operating using its internal oscillator. This requires that the device is powered with VCC(min)=+4.0V. This supply voltage can be taken from the USB VBUS. Applications that require using an external oscillator, VCC= +3.3V, must do so in the following order:
1. When the device is powered for the very first time, it must have VCC > +4.0V. This supply is available from the USB VBUS supply = +5.0V.
2. The EEPROM must then be programmed to enable an external oscillator. This EEPROM modification cannot be done using the FTDI programming utility, FT_PROG. The EEPROM can only be reconfigured from a custom application.
Regional Popularity


Market Analysis


Manufacturer
FTDI Chip is a company dedicated to the development of innovative silicon solutions. The silicon solutions we have developed can enhance the interaction with today's technology. "Easy design" is our philosophy. With the support of this concept, we have successfully implemented a highly complex, feature-rich, and powerful product platform that is easy for engineers to use. FTDI Chip's Universal Serial Bus (USB) product line has a long history. After continuous expansion, we have widely recognized products. Integrating display, audio, and touch functions on a single chip is what we provide the Embedded Video Engine (EVE) graphics, controller. This can greatly reduce the development time and bill of materials cost involved in the implementation of the human-machine interface (HMI). The microcontroller series provided by FTDI Chip is highly differentiated and speed optimized to enhance connectivity. FTDI Chip is a fabless semiconductor company headquartered in Glasgow, UK. We have established R&D centers in Glasgow, Singapore, and Taipei (Taiwan). In addition, we have also established regional sales and technical support centers in Glasgow, Taipei, Portland (Oregon, USA), and Shanghai (China).
Datasheets
https://pdf.easybom.com/r/datasheets/adafruitindustriesllc-70-datasheets-0709.pdf