KD-KA01
Cecelia is an accomplished electrical engineer with expertise in automation and control systems. She is a natural problem-solver and thrives on developing solutions that optimize performance and efficiency.
ADUM1201 is based on ADI's award-winning iCoupler digital isolator using planar magnetic field patented isolation technology. iCoupler technology is a patented isolation technology, which is based on a chip-size transformer, rather than a combination of LEDs and photodiodes used in optocouplers. The iCoupler technology cancels the photoelectric conversion process in the photocoupler and uses iCoupler's patented transformer technology to integrate the transformer driving and receiving circuits, thereby achieving performance advantages that photoelectric isolators cannot match. Since the iCouple transformer is manufactured directly on the chip using a wafer-level manufacturing process, the iCoupler channel is more effective than the optocoupler in achieving integration between channels and easier to achieve other semiconductor functions.
Since there is no photoelectric conversion link in the photocoupler that affects the efficiency, the iCoupler digital isolator does not require an external circuit to drive the LED, and its power consumption is only 1/10 to 1/50 of the photocoupler. This new electromagnetic-based isolation method is far superior to optocouplers in terms of resistance to high-temperature effects. The performance and reliability of iCoupler digital isolators do not decrease in a high-temperature environment of 125°C, so low-cost, small-sized SOICs packaging can be used, which not only reduces the cost but also reduces the size of the chip. In addition, the isolation channel of the iCoupler digital isolator has a higher data transmission rate, timing accuracy, and transient common-mode rejection capability than the optocoupler. Its rated isolation voltage is twice that of a high isolation optocoupler, and its data transmission rate and timing accuracy are 10 times. In addition, unlike optocouplers, multi-channel iCoupler digital isolators can provide forward and reverse communication channels in the same chip, which can make the signal transmission direction more flexible and simplify the hardware connection lines between chips.

Because it is based on iCoupler technology, ADUM1201 has many advantages over opto-isolators:
1) Higher speed. Its maximum rate reaches 25Mbps.
2) Lower power consumption. Its power consumption is lower than 1/10 of the traditional opto-isolator at the same data transmission rate, and the minimum operating current is 0.8mA.
3) Higher performance. Its timing accuracy, transient common-mode rejection, and matching between channels are better than traditional opto-isolators.
4) Smaller size and higher integration. The printed circuit board (PCB) area is 40% of the traditional opto-isolator.
5) Cheaper price. The cost per channel is 40% of the traditional opto-isolator.
6) More flexible applications. Unlike traditional optocouplers, multi-channel iCoupler digital isolators can provide forward and reverse communication channels within the same chip.
The two ends isolated by the digital isolator ADUM1201 have their own power supply and reference ground, and the power supply voltage range is between 2.7V and 5.5V so that a low-voltage power supply can be achieved, thereby further reducing system power consumption. A 0.01μF to 0.1μF capacitor should be connected between the power supply and the reference ground to filter out high-frequency interference. The distance between the capacitor and the power supply should be within 20mm so that a better filtering effect can be achieved. Two isolation channels are highly matched, the crosstalk between the channels is small, and the two-channel input and output reverse design is adopted, which is very suitable for the characteristics of CAN bus two-way transmission and reception, which greatly simplifies the hardware connection between the isolator and the isolated two ends.
It should be noted that GND1 and GND2 are two different reference grounds, otherwise, the isolation effect will not be achieved. Another thing to note is that when the ADUM1201 is working normally, the power supplies at both ends need to be powered on at the same time to ensure that both channels of the ADUM1201 can work normally. If one of them is not powered on, the entire chip will not work properly.
In CAN bus communication nodes, the dual-channel digital isolator ADUM1201 is used to achieve the electrical isolation between the CAN controller and the CAN driver, so that better anti-interference performance can be obtained. Some are integrated inside the microcontroller and ADUM1201 is used to achieve the isolation between the microcontroller and the CAN driver.
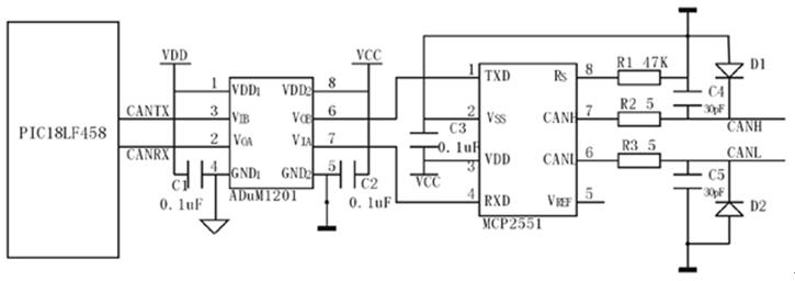
The CAN bus is used to form a long-distance communication network for transmitting the early warning signal of highway visibility, in which the ADUM1201 is used to achieve electrical isolation between the CAN bus nodes. The specific hardware circuit of the CAN bus is as follows. It shows that the entire hardware circuit is composed of a microcontroller, an isolation chip, and a CAN bus-driven chip. The microcontroller uses the PIC18LF458 chip which is an 8-bit COMS microcontroller. Its internal structure uses a bus structure making all instructions single-byte and single-cycle, which can speed up executing instructions for the CPU so as to improve the speed of operation of the microcontroller. Meanwhile, the performance of power voltage with a minimum of 2V greatly reduces the power consumption of the system. All features mentioned above not only meet the requirement of quick response but also meet the requirement of low power consumption for long-time operation. The CAN bus driven chip MCP2551 is used as the CAN driver which is fully compatible with the standard of ISO-11898 and has the highest rate of 1Mbps. It provides better electromagnetic radiation and interference resistance. In order to ensure the stability of the system, extra resistors R2 and R3 are added to limit the current to prevent MCP2551 from the attack of overcurrent. C3 and C4 are capacitors with small capacitance applied to filter the high-frequency interference on the bus and avoid electromagnetic radiation. D1 and D2 are lightning protection tubes used to prevent transient interference on the bus.

The isolation chip ADUM1201 is placed in the system which is used to isolate every node of the sensor. It has better performance than the traditional photoelectric isolator. It eliminates the uncertain transmission rate, nonlinear transfer function, and the influence of the temperature and life span on the equipment. It is unnecessary to be equipped with other drivers and discrete components. Moreover, it provides more stable transfer performance and its power consumption is only 1/10 to 1/6 of the photoelectric isolator at the same signal transmission rate. As shown in the figure, ADUM1201 achieves the electric isolation between the CAN bus nodes. It adopts dual transfer channels with reverse directions suitable to transmit the CAN bus signal, which greatly simplifies the hardware structure of the system. Meanwhile, an isolation chip replaces the original two ones, which greatly increases the matching degree of the channels so that the system obtains better isolation performance.
Popular Posts
Hot Labels
Popular Parts